|
Kogge der Kosmischen Hanse Terranische Raumschiffe |
|
Bild und Text © Gregor Sedlag |
Risszeichnung aus PR 1050 Auflage 1 - LKS | ►Index | ►Risszeichnungen PR 1001 - 1100 |

Textentwurf, Design und Zeichnung: Gregor Sedlag
Allgemeines:
Dieser Typ eines bewaffneten Handelsraumschiffs, der nach diversen Modifikationen in der gezeigten Form als kleinster Fracht- bzw. Passagierraumer innerhalb der Organisation der Kosmischen Hanse Dienst tut,
wurde wie auch die größeren Handelsraumer dieser Organisation (Leichter- bzw. Schwerer Holk und Karake), aus den Beständen der Keilraumschiffsflotten der Obriter übernommen.
Technische Daten:
Rumpfabmessungen: Länge 100m, Breite 110m, Heckhöhe 37m
Antrieb: 3 Feldtriebwerke zum Überlichtflug, 3 Feldemissionsunterlichttriebwerke, Antigravtriebwerk
Beschleunigung: 800 km/s²
Überlicht-Faktor: Reichweite 15 Millionen Lichtjahre
Energie: Hyperraumzapfer mit Speicher, Notkraftwerk
Bewaffnung: 8 Irregulatorstrahler, 4 Antimateriestrahler
Defensiv-Bewaffnung: Paratron-Schirm, HÜ-Schirm, Prallschirm
Beiboote: 2 Rettungsgleiter (variabel)
Besatzung: 48 Personen
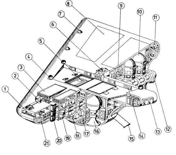
Zeichenerklärung:
1.Kommandozentrale mit Positronikzentralterminal, Sicht - und Ortungsschirmen
2.Normal- und Hyperfunkanlage
3.Paratron-Schutzschirmprojektoren
4.Traktorstrahlprojektoren
5.Laderaum für Container und Stückgut
6.Anti-M-Strahler
7.Irregulatorstrahler
8.Wartungsabdeckplatten
9.Schwerkrafterzeuger und Andruckabsorber
10.Überlichttriebwerk und Energiespeicher (3 Einheiten)
11.HÜ-Schirmgeneratoren und -projektoren
12.Unterlichttreibwerk
13.Prallschirm- und Antigravprojektoren bzw. Landekissengeneratoren
14.Landefeldbefackelung
15.Formenergierampe
16.Hochenergiekonzentrator des Hyperraumanzapfers (2 Stück)
17.Mannschafträume, darunter Lebenserhaltungsanlage
18.Paratronschutzschrimgeneratoren (3 Einheiten)
19.Leichter Anti-M-Strahler
20.Antigravschacht (insgesamt 5 Stück)
21.Ortungs- und Antiortungssysteme
Seite © Schroty's Materiequelle